首页> 产品中心> 电动元件> 直线模组> 内嵌式全密封丝杆直线模组
产品中心
产品目录
汽车焊装
气动系统
执行元件
首字母搜索:
{{n.title}}
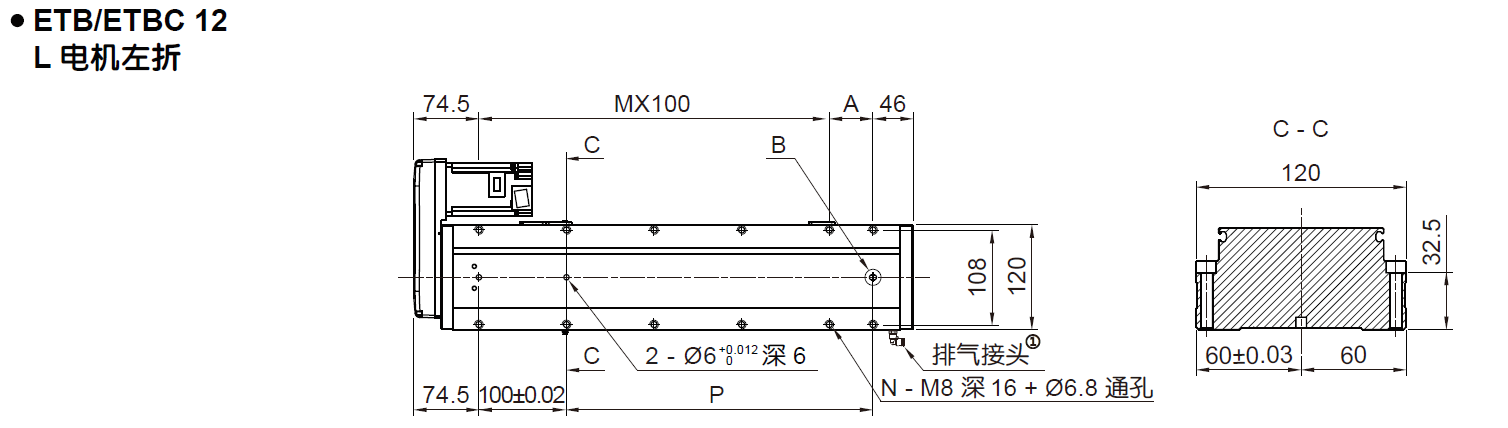
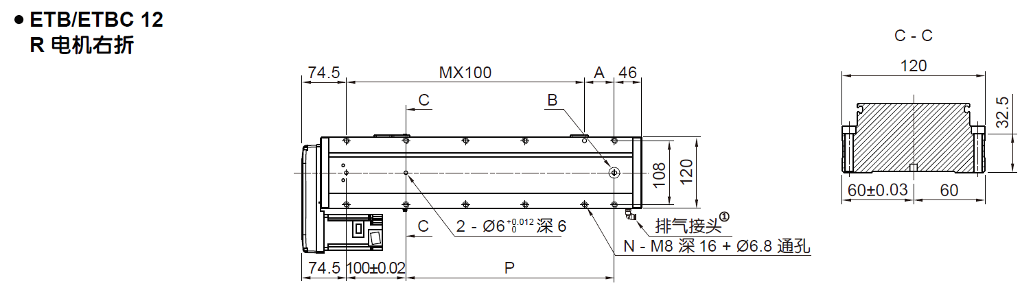
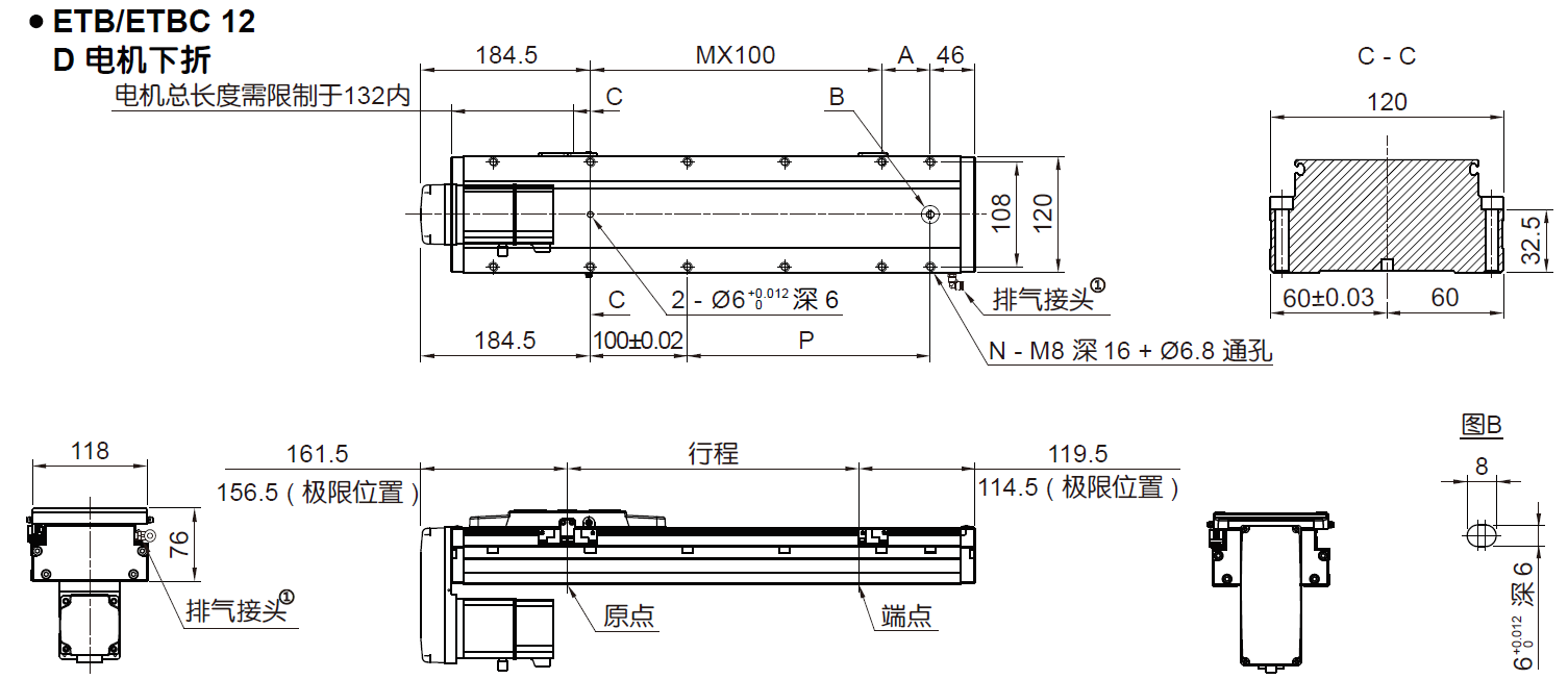
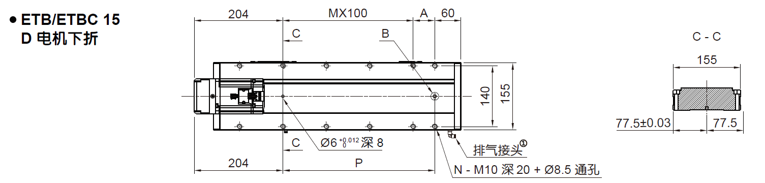
ETB 系列 内嵌式全密封丝杆直线模组

1. 本体与滑座一体成形,整体刚性好,抗弯矩、扭矩性强。

2. 重复定位精度高,滑座直线度高。

3. 适用无尘环境。

4. 根据不同的速度及荷载可选用不同导程的滚珠丝杆。

5. 免拆安装设计,无需拆钢带即可由上往下固定,多种电机安装位置可选。

订购码
标准规格
外形尺寸
3D预览
3.png

e4ebc1fd425b167852fe9cbfdbf64a74.png

2.png

企业微信截图_17658632828701.png企业微信截图_17658633059985.png企业微信截图_17658633362129.png企业微信截图_17658633551611.png企业微信截图_17658634253484.png企业微信截图_17658634437582.png企业微信截图_17658634676043.png企业微信截图_17658634941671.png企业微信截图_17658636609368.png企业微信截图_17658636939464.png企业微信截图_1765863748751.png企业微信截图_1765863774500.png企业微信截图_17658638349659.png企业微信截图_17658638655203.png企业微信截图_1765863899723.png企业微信截图_17658639561693.png企业微信截图_17658640206786.png企业微信截图_17658640593175.png企业微信截图_17658641213259.png企业微信截图_17658641423782.png企业微信截图_17658642406673.png企业微信截图_17658642635113.png企业微信截图_17658643206748.png企业微信截图_17658643508656.png企业微信截图_17658644054135.png企业微信截图_17658644414457.png企业微信截图_17658646646354.png企业微信截图_17658646805036.png企业微信截图_17658647318291.png企业微信截图_17658647554221.png企业微信截图_17658647842783.png企业微信截图_17658648404732.png企业微信截图_1765864867599.png企业微信截图_17658648945902.png企业微信截图_17658649412005.png企业微信截图_17658649771440.png企业微信截图_17658650001564.png企业微信截图_17658650298368.png企业微信截图_17658650606934.png企业微信截图_17658651276383.pngETB1.png企业微信截图_17658653272506.png企业微信截图_17658654091828.png企业微信截图_17658654452682.png企业微信截图_17658654795386.png企业微信截图_17658655224369.png企业微信截图_17658655575531.png企业微信截图_17658655926990.png

请先登录